UM2 Pinout Grafic?
-
reibuehl
- Reactions:
- Posts: 510
- Joined: February 9th, 2016, 9:56 am
- Location: Stuttgart, Germany
- 3D Printer(s): BambuLab X1C, Ultimaker 2
UM2 Pinout Grafic?
Does anybody of you have a PDF or grapic version of the UM2 Mainboard pin out? Or a version of Altium Designer to create one for me from the Altium files published by Ultimaker? A board view with the pins labled and if possible a schematic would be perfect but I would need to know at least where to find the PC7 (D30) and PD7 (D38) pins.
-
reibuehl
- Reactions:
- Posts: 510
- Joined: February 9th, 2016, 9:56 am
- Location: Stuttgart, Germany
- 3D Printer(s): BambuLab X1C, Ultimaker 2
Re: UM2 Pinout Grafic?
I found an older schematic, but that looks like the pins I thought could be used are different than what Marlin expects... is there a digital pin free that could be used for a filament sensor?
-
reibuehl
- Reactions:
- Posts: 510
- Joined: February 9th, 2016, 9:56 am
- Location: Stuttgart, Germany
- 3D Printer(s): BambuLab X1C, Ultimaker 2
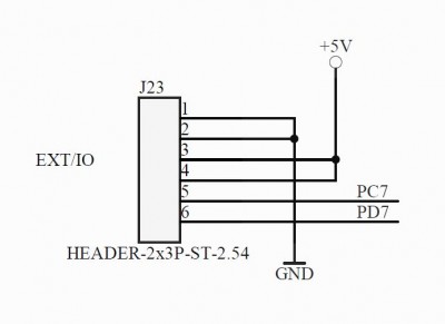
Re: UM2 Pinout Grafic?
Looks like I found my pins on the EXT/IO header:

- jonnybischof
- Reactions:
- Posts: 310
- Joined: February 15th, 2016, 2:48 am
- Location: Zurich, Switzerland
- 3D Printer(s): UMO
Re: UM2 Pinout Grafic?
Is 2.1.1 still up to date?
I use Altium Designer at work, so I can open the original source files and make any kind of documentation output you want...
I use Altium Designer at work, so I can open the original source files and make any kind of documentation output you want...
-
reibuehl
- Reactions:
- Posts: 510
- Joined: February 9th, 2016, 9:56 am
- Location: Stuttgart, Germany
- 3D Printer(s): BambuLab X1C, Ultimaker 2
Re: UM2 Pinout Grafic?
The latest version for the UM2 and UM2+ is 2.1.4 which can be found in git.
It would be great if you could create an updated PDF for that version, @jonnybischof. Schematics, top/bottom Silkscreen and maybe the top/bottom 3D view would be perfect. I do not need the copper layers or such. Maybe a parts list, too if that is not too much work?
It would be great if you could create an updated PDF for that version, @jonnybischof. Schematics, top/bottom Silkscreen and maybe the top/bottom 3D view would be perfect. I do not need the copper layers or such. Maybe a parts list, too if that is not too much work?
- jonnybischof
- Reactions:
- Posts: 310
- Joined: February 15th, 2016, 2:48 am
- Location: Zurich, Switzerland
- 3D Printer(s): UMO
Re: UM2 Pinout Grafic?
Ok, working on it.
Can do even better documentation, Altium has a new (for some time now) documentation tool which is really awesome.
Will use this occasion to do some "training" with the tool
Can do even better documentation, Altium has a new (for some time now) documentation tool which is really awesome.
Will use this occasion to do some "training" with the tool
- jonnybischof
- Reactions:
- Posts: 310
- Joined: February 15th, 2016, 2:48 am
- Location: Zurich, Switzerland
- 3D Printer(s): UMO
Re: UM2 Pinout Grafic?
Done.
Now let's see if the forum lets me upload all that stuff...
Looks like it does <3
Bill of materials. Unformatted (takes a lot of time). I just took those fields that made sense. The database is not very tidy so I didn't want to put too much effort into it.
Schematics, PDF export of original files
Documentation output showing the connections and pinout
Documentation output showing the PCB dimensions
3D step export
If you need anything else, just ask
Now let's see if the forum lets me upload all that stuff...
Looks like it does <3
Bill of materials. Unformatted (takes a lot of time). I just took those fields that made sense. The database is not very tidy so I didn't want to put too much effort into it.
Schematics, PDF export of original files
Documentation output showing the connections and pinout
Documentation output showing the PCB dimensions
3D step export
If you need anything else, just ask
-
reibuehl
- Reactions:
- Posts: 510
- Joined: February 9th, 2016, 9:56 am
- Location: Stuttgart, Germany
- 3D Printer(s): BambuLab X1C, Ultimaker 2
Re: UM2 Pinout Grafic?
Wow! Very nice job! I love the detail magnification of the pins. Many thanks! I wonder if Ultimaker would accept a git pull request with these files 